- Este debate tiene 0 respuestas, 1 mensaje y ha sido actualizado por última vez el hace 10 años, 9 meses por
Muten.
-
AutorEntradas
-
14 julio, 2015 a las 21:50 #85632
MutenParticipanteMuy buenas a todos.
Hoy voy hacer un pequeño tutorial de como cambiar la famosa tapa del embrague. Como muchos ya sabeis, Suzuki hizo una tirada de LTZ 400 cuya peculiaridad salio que la tapa del embrague era defectuosa. Un pequeño defecto de fabrica.
Yo me e encontrado con este LTZ 400 que esta fuera de ese rango de bastidores y tambien le a pasado.Los modelos afectados, según Suzuki estarían comprendidos entre los siguientes números de bastidores:
[color color=#ff0000]LTZ 2005 – Desde JSAAK47A152100280 AL JSAAK47A152123820
LTZ 2006 – Desde JSAAK47A162100006 AL JSAAK47A262125139 [/color]
Pero repito que el que e reparado esta por encima de este bastidor. Supongo que aqui actuan muchos factores, a parte de la electròlisis que es casi inevitable. Como no cambiar nunca el agua, poner una agua que no corresponda o agua mala.
Bueno vamos al lio de como cambiar la tapa de tu LTZ 400
[b]Nivel de mecanica[/b]: Bajo
[b]Horas de Trabajo Aprox[/b]: 4,30h
[b]Herramientas a Usar:[/b]
Llave fija del 8, 10 12 y 14
chicharra
Recipientes para almacenar el agua y el aceite
Trapos o papel
Pasta para juntas (opcional)
Loctite de tornilleria (Media Resistencia)[b]Material que utilizamos en la reparacion:[/b]
Para hacer una correcta reparacion a este vehiculo empleamos:
Tapa embrague nueva
Junta tapa embrague
Eje y estopada bomba de agua
Kit de juntas y toricas de la bomba de agua
2 Filtros de Aceite
2 Litros de agua refrigerante
4 Litros de aceiteLa Causa principal de la averia fue que se le mezclo mucho el aceite con el agua motor, Eso lo reconocimos porque la varilla del nivel del aceite tenia un color marron chocolate con leche, a parte que si observas bien puedes llegar a ver alguna pequeña gota de agua anticongelante. Entonces decidimos que a parte de cambiar la tapa, le realizariamos un enjuague con aceite normal y luego ya colocar filtro y aceite bueno.
[color color=#ff0000]Los pasos a seguir que realizamos fueron:
[/color]1: Vaciamos en un recipiente el aceite, tanto del carter como del deposito frontal.
Seguidamente cojemos otro recipiente y vaciamos el agua del motor, por el tornillo de drenaje o por el manguito del agua.2: Seguidamente destornillamos la tapa del filtro de aceite, y quitamos el filtro de aceite.
3: Destornillamos la bomba de freno del pedal que frena las ruedas traseras, y quitamos los muelles que sujetan el pedal y la luz de freno
4: Una vez tengamos el pedal «loko» procederemos a destornillar los tornillos de la tapa del embrague (Siempre recomiendo usar o un plato magnetico o un recipiente donde no puedan perderse)
5: Una vez tengamos todos los tornillos sueltros, con un pequeño tiron hacia vosotros la tapa tiene que salir sola. Logicamente la junta se va a romper. A parte que hay que remplazarla para evitar posibles fugas.
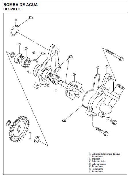
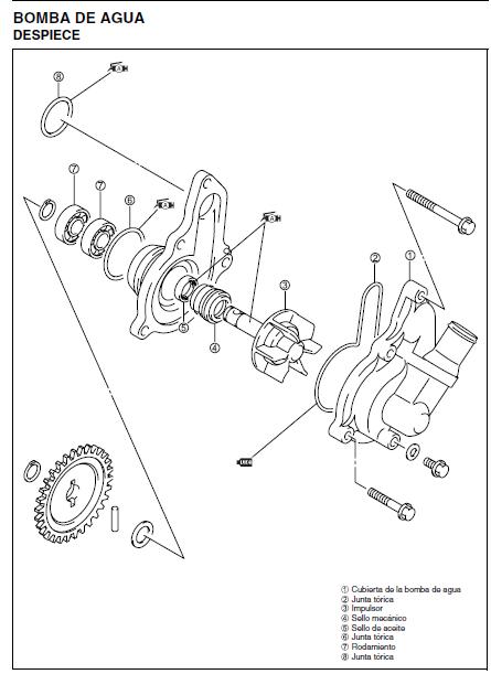
Ahora es momento para desmontar la bomba de agua.Destornillamos los tornillos de la bomba de agua. Quiramos el precinto de la rueda dentada, sacamos la rueda dentada hacia nosotros, sacamos el bulon pasador, y ahora si ya podemos sacar todo el cuerpo de la bomba, que va encajada a presion en la tapa de embrague.
6 Una vez separada de la tapa de embrague, nos fijaremos que en la parte interior de la bomba hay 2 tornillos tipo vis, destornillando estos tornillos lograremos sacar la carcasa y llegar hasta las aspas. Donde alli podremos observar como se encuentra la estopada y como esta el eje.
Sacando Estopada (Con un tornavis por detras)
Colocando estopada nueva ( Usaremos una llave de baso para ayudarnos a entrar la estopada, asi evitaremos estropearla.
7: procediremos al montaje de las toricas nuevas, y el eje de la bomba con sus retenes, yo en este caso e utilizado una grasa especial que no ataca a las juntas para untar un poco el eje para que vaya fino. A parte que tambien en este caso opte por un poco de pasta o formador de juntas en la carcasa a mas de la torica ya que tambien tenia el problema de que le goteaba por la carcasa.
Despiece Bomba Agua:
Procedemos al ensablado de la bomba y la dejamos lista.
8: Vamos a por la tapa. Aqui podemos observar el problema que teniamos en la tapa: Tapa nueva y tapa antigua:
De la tapa antigua tendremos que aprovechar los 3 tornillos exteriores de la tapa, y muy importante, Tendremos que sacar la Goma la bola y el muelle que se encuentran en la «foto» y colocarlo exactamente igual en la tapa nueva.
Sacar el centrador de la tapa y colocarlo en el mismo sitio
y poner el reten en la tapa nueva, yo en este caso aproveche el mismo ya que no me acorde de pedirlo. Para aprovecharlo y sacarlo lo mejor posible lo que hice es abujerear con el taladro la tapa antigua y con un destornillador sin punta golpearlo con delicadeza por detras, con paciencia sale solo.Lo insertaremos tal cual esta en la tapa antigua.
9: Procediremos a la limpieza de restos de junta en la zona del motor:
Con una lija muy fina tipo esponja o con el tipico astropajo verde de los platos y un pelin de gasolina nos ayudara a sacar mejor la porqueria aderida, eso sera muy importante dejar lo mejor posible ya que cuando mejor y plana cierre la junta mejor estanqueidad tendremos y nos ahorraremos posibles fugas y tener que desmontar otra vez.
10: Una vez limpio procederemos a colocar la junta, yo recomiendo poner primero la junta en el lado del motor y despues cerrar con la tapa, Atornillaremos todos los tornillos de metrico 6 de la carcasa (Ojo recordar que estamos trabajando en aluminios, asi que no me seais brutos y paseis las roscas) Mi consejo es apuntarlos todos con la mano hasta que no podais y luego ayudaros con una llave fija sin pasarse pero sin quedarse corto. Yo en este caso a la tornilleria le puse un poco de fijador loctite, poca cosita solo para ayudar que no se afloje con la vibracion. y listo.
11: Como en esta situacion el problema es que dentro del motor se creo un chapapote de agua y aceite, para terminar la reparacion lo que hicimos es colocar un filtro de aceite nuevo, y restos de aceite nuevos que teniamos de antiguos cambios de aceite, esos culillos que aveces quedan…..colocamos el agua refrigerante y lo arrancamos durante un buen rato para que el aceite pueda hacer su recorido y termine de limpiar las zonas donde pueda encontrarse agua.
Una vez terminado este proceso, vaciamos el aceite tanto del carter como del deposito, y cambiamos el filtro por otro nuevo, llenamos aceite y hacemos nivel tanto de aceite como de agua de radiador. Lo arrancamos,circulamos un poco comprovamos que no tenga fugas la reparacion, añadimos agua o aceite que falte y listos ya lo tenemos listo para rutear.
[color color=#ff0000]Nota: Recordar almacenar bien los fluidos tanto aceite como agua refrigerante y llevarlos al punto de reciclage mas cercano. Es importantisimo hacer este paso ya que el refrigerante y el aceite son productos muy contaminantes.[/color]
-
AutorEntradas
- Debes estar registrado para responder a este debate.
La Ruta del Quad La web del aficionado al Quad, ATV, Buggy y Side by Side












